专利号
ZL2016 2 0630804.4 ZL 2016 3 0272961.8
ZL2016 2 0629644.1 ZL 2016 2 0630720.0
此型号风机结构参照国际上通用的结构,采用铝壳内转子电机,叶轮采用PA66级尼龙材质,防护等级可达IP66。采用国际通用的单三相通用、宽电压、双频率设计,可满足世界多个国家的电制要求。
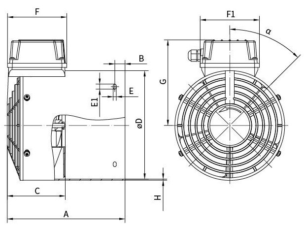
| 型号 | A | B | C | D | E | E1 | F | F1 | G | α |
|---|---|---|---|---|---|---|---|---|---|---|
| G-63E | 210 | 14 | 95 | 121 | 4.3 | 7 | 105 | 105 | 116.5 | 45° |
| G-71E | 220 | 7 | 95 | 136 | 5.5 | 8 | 105 | 105 | 124.5 | 45° |
| G-80E | 230 | 14 | 94 | 154 | 5.5 | 8 | 105 | 105 | 133 | 45° |
| G-90E | 260 | 16 | 104 | 174 | 5.5 | 8 | 105 | 105 | 143 | 45° |
| G-100E | 290 | 18 | 104 | 192 | 5.5 | 8 | 105 | 105 | 152 | 45° |
| G-112E | 300 | 16 | 104 | 216 | 5.5 | 8 | 105 | 105 | 164 | 45° |
| G-132E | 350 | 23 | 125 | 255 | 5.5 | 8 | 105 | 105 | 183.5 | 45° |
| G-160E | 430 | 25 | 151 | 307 | 6.6 | 9 | 105 | 105 | 210 | 90° |
| G-180E | 373 | 40 | 151 | 357 | 7 | 12 | 105 | 105 | 210 | 90° |
| G-200E | 388 | 40 | 151 | 396 | 7 | 12 | 105 | 105 | 210 | 90° |
| G-225E | 410 | 35 | 195 | 456 | 9 | 15 | 105 | 105 | 248 | 90° |
| G-250E | 432 | 42 | 195 | 504 | 9 | 15 | 105 | 105 | 248 | 90° |
| 型号 | 接线方式 | 50Hz | 60Hz | |||||||
|---|---|---|---|---|---|---|---|---|---|---|
| U(V) | ∫(A,max) | P(W,max) | n(min-1,max) | U(V) | ∫(A,max) | P(W,max) | n(min-1,max) | |||
| G-63-2 | 1.5μF | 1~⊥Δ | 220-277 | 0.105 | 25 | 2950 | 220-277 | 0.105 | 25 | 3550 |
| 3~Δ | 200-303 | 0.14 | 25 | 2950 | 220-332 | 0.11 | 22 | 3550 | ||
| 3~Y | 346-525 | 0.08 | 25 | 2950 | 380-575 | 0.065 | 22 | 3550 | ||
| G-71-2 | 1.5μF | 1~⊥Δ | 220-277 | 0.105 | 25 | 2950 | 220-277 | 0.12 | 30 | 3500 |
| 3~Δ | 200-303 | 0.14 | 30 | 2950 | 220-332 | 0.11 | 28 | 3550 | ||
| 3~Y | 346-525 | 0.08 | 30 | 2950 | 380-575 | 0.065 | 28 | 3550 | ||
| G-80-2 | 1.5μF | 1~⊥Δ | 220-277 | 0.12 | 28 | 2950 | 220-277 | 0.14 | 35 | 3450 |
| 3~Δ | 200-303 | 0.14 | 30 | 2950 | 220-332 | 0.12 | 33 | 3550 | ||
| 3~Y | 346-525 | 0.08 | 30 | 2950 | 380-575 | 0.07 | 33 | 3550 | ||
| G-90-2 | 3.0μF | 1~⊥Δ | 220-277 | 0.30 | 55 | 2950 | 220-277 | 0.22 | 55 | 3550 |
| 3~Δ | 200-303 | 0.40 | 75 | 2950 | 220-332 | 0.31 | 62 | 3550 | ||
| 3~Y | 346-525 | 0.23 | 75 | 2950 | 380-575 | 0.18 | 62 | 3550 | ||
| G-100-2 | 3.0μF | 1~⊥Δ | 220-277 | 0.30 | 58 | 2950 | 220-277 | 0.24 | 60 | 3550 |
| 3~Δ | 200-303 | 0.40 | 78 | 2950 | 220-332 | 0.30 | 66 | 3550 | ||
| 3~Y | 346-525 | 0.23 | 78 | 2950 | 380-575 | 0.175 | 66 | 3550 | ||
| G-112-2 | 3.0μF | 1~⊥Δ | 220-277 | 0.29 | 60 | 2950 | 220-277 | 0.28 | 72 | 3460 |
| 3~Δ | 200-303 | 0.40 | 80 | 2950 | 220-332 | 0.30 | 78 | 3500 | ||
| 3~Y | 346-525 | 0.23 | 80 | 2950 | 380-575 | 0.175 | 78 | 3500 | ||
| G-132-2 | 6.0μF | 1~⊥Δ | 220-277 | 0.38 | 105 | 2950 | 220-277 | 0.56 | 155 | 3450 |
| 3~Δ | 200-303 | 0.40 | 90 | 2950 | 220-332 | 0.35 | 115 | 3500 | ||
| 3~Y | 346-525 | 0.24 | 90 | 2950 | 380-575 | 0.21 | 115 | 3500 | ||
| G-160-2 | 6.0μF | 1~⊥Δ | 220-277 | 0.69 | 165 | 2800 | 220-277 | - | - | - |
| 3~Δ | 200-303 | 0.40 | 140 | 2800 | 220-332 | 0.60 | 230 | 3300 | ||
| 3~Y | 346-525 | 0.23 | 140 | 2800 | 380-575 | 0.36 | 230 | 3300 | ||
| G-132-4 | 5.0μF | 1~⊥Δ | 220-277 | 0.50 | 75 | 1490 | 220-277 | 0.35 | 75 | 1790 |
| 3~Δ | 200-03 | 0.62 | 85 | 1490 | 220-332 | 0.57 | 75 | 1790 | ||
| 3~Y | 346-525 | 0.35 | 85 | 1490 | 380-575 | 0.33 | 75 | 1790 | ||
| G-160-4 | 5.0μF | 1~⊥Δ | 220-277 | 0.50 | 85 | 1490 | 220-277 | 0.35 | 85 | 1770 |
| 3~Δ | 200-303 | 0.62 | 95 | 1490 | 220-332 | 0.55 | 90 | 1790 | ||
| 3~Y | 346-525 | 0.36 | 95 | 1490 | 380-575 | 0.32 | 90 | 1790 | ||
| G-180-2 | 6.0μF | 1~⊥Δ | 220-277 | 0.69 | 165 | 2800 | 220-277 | - | - | - |
| 3~Δ | 200-303 | 0.40 | 140 | 2800 | 220-332 | 0.60 | 230 | 3300 | ||
| 3~Y | 346-525 | 0.23 | 140 | 2800 | 380-575 | 0.36 | 230 | 3300 | ||
| G-200-2 | 6.0μF | 1~⊥Δ | 220-277 | 0.69 | 165 | 2800 | 220-277 | - | - | - |
| 3~Δ | 200-303 | 0.40 | 140 | 2800 | 220-332 | 060 | 230 | 3300 | ||
| 3~Y | 346-525 | 0.23 | 140 | 2800 | 380-575 | 0.36 | 230 | 3300 | ||
| G-225-4 | 3~Δ | 200-303 | 0.47 | 110 | 1460 | 220-332 | 0.51 | 170 | 1730 | |
| 3~Y | 346-525 | 0.27 | 110 | 1460 | 380-575 | 0.30 | 170 | 1730 | ||
| G-250-4 | 3~Δ | 200-303 | 0.47 | 110 | 1460 | 220-332 | 0.51 | 170 | 1730 | |
| 3~Y | 346-525 | 0.27 | 110 | 1460 | 380-575 | 0.30 | 170 | 1730 | ||




